


公__司:揚州唯升機械有限公司
地__址:江蘇高郵市湯莊工業區
聯系人:劉經理
手__機:15862898754
手__機:15062877988
電__話:0514-84844627
郵__箱:wisheng@139.com

請掃碼加微信,業務、售后無憂?

1.1概述
電液推桿是一種集機、電、液為一體的液壓驅動機械手,適用于需要往復推拉直線(或往復旋轉一定角度)運動,也可用于需要上升、下降或夾緊工作物的場所,并可實現遠距離危險地區的集中或自動控制,廣泛應用于冶金、礦山、電力、煤炭、機械、交通、糧食、化工、水泥、水利、建材、運輸等部門,是一種通用的動力源。
1.2電液推桿的工作條件
1、工作環境:不含強腐蝕性、易然、易爆介質。
2、環境溫度:-20°C---80°C。
3、相對濕度:80%(20+5°C)。
4、無強烈震動。
5、工作制: 每次工作額定時間為10分鐘內;每小時往返次數不宜超過15次。
6、海拔高度不超過1000米。
1.3常用電液推桿的幾種形式
電液推桿常用的結構形式有三種(圖一、圖二、圖三)。根據不同的現場環境及工作要求,還有其它的許多形式,可按雙方技術合作的具體情況另定。
A:整體直式電液推桿(DYTZ型)圖一

B:平行式電液推桿(DYTP型)圖二

C:平行式電液推桿(DYTP型)圖三

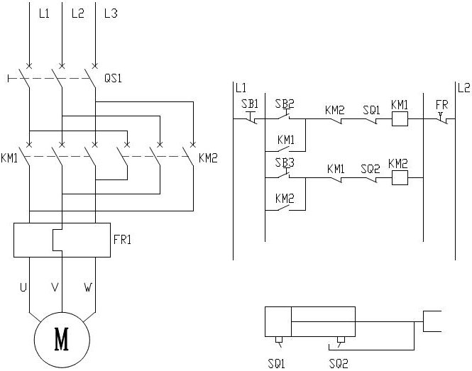
1.4推桿的液壓原理圖(圖四)及電器控制原理圖(圖五)


圖四 圖五(僅供參考)
2.1電液推桿的安裝
電液推桿用塑料薄膜封裹,正常草繩包裝,特殊需求木箱包裝,開箱之后,應根據電液推桿的結構形式仔細檢查各部分和您的要求是否一致。
2.2關于支座
根據現場工作要求,有時電液推桿需要配備專用支座(圖六)。但支座需要專購或者另配,不屬推桿附件。安裝時,只要將支座固定在底腳螺絲上,再降推桿鉸耳安裝在固定鎖套內,與支座用螺栓擰緊即可。
圖六
2.3液壓油的選擇及加油量
電液推桿一般夏季用46#液壓油、冬季使用32#液壓油。須經過濾后,方可通過加油口加入推桿內。
推桿水平位置使用,打開檢修口直接加油,液位線完全淹沒油路快的時候啟動電源,確保電液推桿活塞桿完全生出即可;
推桿傾斜位置或垂直位置使用,在推桿最高點的加油口加油,加到足夠量的時候啟動電源確保電液推桿活塞桿完全伸出來,如果活塞桿不能縮回的時候再加液壓油,但是不要過多,避免活塞桿完全縮回而導致噴油現象。
2.4電源的要求
正常電機接線的電源要求:50HZ、380V。(非標電機,按電機電壓要求)
3.1電液推桿的使用
首先說明:以下所指導的安裝方法,并不是針對所有的電液推桿都具有的工作性能,其中3.2.2、3.3.1、3.3.3的調節方法,是屬于需方指定后才具有的功能。
3.2電液推桿使用前應注意的幾個問題:
3.2.1有排氣螺釘必須去除排氣螺釘!!!
如果不拆除排氣螺釘(圖七)推桿來回工作幾次后,液壓油減少的體積無法得到補償,會使外殼內產生壓力,致使殼損壞,容易出現漏油。
3.2.2如何正常連接行程開關
在用戶需要的情況下,有些推桿可配行程開關,行程開關里共4個觸點,分別為常開、常閉(圖八)。到位后撞到行程開關,常閉觸點斷開,常開觸點閉合。使用時,可據此控制行程或給定信號。

圖七 圖八
3.2.3如何正常連接電機
電液推桿選用Y系列鼠籠式三相異步電機,均為4級電機,其接法有三角形和星型二種(圖九)
圖九
電機上相序的連接已接好,只要將三根線接上就行。調試正反轉時,只需要將三根線中的兩根線對調,第三根線不動即可。
3.3如何正確調節電液推桿
3.3.1如何調節電液推桿行程
許多情況下,需方要求電液推桿配行程開關。此時如需調節行程,請細看前文1.4中的電器原理圖。從中可知:撞到行程開關后,電機即可斷電停止運轉。所以,只要調節撞桿上的碰塊,就能達到調節行程的目的(圖十)。

圖十
3.3.2如何調節系統壓力
推桿根據用戶訂貨時的要求,已經調整好系統壓力,即推桿的推拉力已根據要求調好,一般不需再變動。如有異常確需變動,請您打開維修蓋,慢慢旋轉集成塊上的內六角螺栓。順時針轉動壓力增加,反之則減小(圖十一)。
3.3.3如何調節推桿速度
推桿根據用戶訂貨時需要調節速度的要求,已經將速度調節好。實際使用時,如果仍然需要調節推桿的速度,請調節推桿前法蘭上的節流閥,以使流量達到速度調節的要求。順時針旋轉時速度減小,逆時針旋轉時速度増大(圖十一)。
圖十一
推桿的正確保養
推桿一般在使用半年內,要檢查油的質量,特別是季節變更時,一定要注意油的粘度,粘度不適應時,必須更換。推桿正常使用后,要經常檢查各緊固件是否牢固可靠。
補充說明:根據推桿的現場使用情況,特作以下安裝調試方面的補充說明:
1、必須去除排氣螺釘,否則推桿在不長的時間內將會損壞。
2、必須按標牌所示加足液壓油。
3、在推桿的使用現場,環境溫度不能超過60℃,否則,推桿必須是特殊定做的。
4、推桿使用的初期,活塞桿會出現爬行現象,或有時推不動,這是正常的現象,推桿屬于排除空氣的狀態,必須空載來回開幾次,以排除液壓系統內的空氣,然后才能達到調定壓力,切不可隨意調節溢流閥。
5、在調節壓力之前,最好與公司技術部門取得聯系,以保證調節的順利。
6、調節節流閥時,必須注意調節的大小,否則,調節過大則推桿會出現鎖死不動,反之則會出現爬行現象。
7、發現安裝調試不能正常時,請按照“下頁故障診斷及排除方法”去診斷排除。如果仍不能排除,請與公司技術部門取得聯系。
故障診斷 及排除方法
故障 | 原 因 | 排除方法 |
活塞桿不動作 | ① 電動機不動 | 檢查電機接線及電器 |
② 電機工作,但未加油或加油太多 | 參照推桿標牌加油 | |
③ 電機有電流聲,但不動作,油泵卡死 | 拆開清洗 | |
④ 電機工作,有溢流聲,但閥不動作 | 更換或清洗 | |
電機燒毀 | 電壓不符或缺相或電機進水 | 檢查電器、電壓或缺相原因排除并避免電機積(進)水 |
活塞桿縮回不能伸出或伸出不能縮回 | ① 電機工作正常,電器接線不能換向 | 檢查電器接觸器 |
② 管路破裂 | 更換油路 | |
活塞桿不能往返運動 | 閥被卡死 | 清洗或更換 |
活塞桿空載正常帶負荷不能工作 | ① 溢流閥可能壓力太小 | 加大系統壓力 |
② 組合密封墊損壞 | 更換組合墊 | |
③ 所用液壓油太稀 | 更換液壓油或重新加大系統壓力 | |
不自鎖 | ① 液壓鎖內泄漏 | 更換、清洗液壓鎖 |
② Y圈損壞 | 更換Y圈 | |
外泄漏 | ① 密封件損壞 | 更換密封件 |
② 加油太多 | 參照標牌加油 | |
③ 排氣螺釘未拆 | 拆除排氣螺釘 |
聯系人:劉經理
電 話:15862898754(微信同號)